直流掉电在线监测装置
概述
直流掉电在线监测装置专为电力系统稳定性设计,实时监测直流电源系统的交流掉电、蓄电池组脱离等异常状态,通过智能告警与数据同步功能,有效预防因电源故障导致的设备宕机或安全事故。
工作原理
直流电源系统运行过程中,存在发生直流电源掉电而不能及时发现的情况,易导致继电保护及自动装置拒动,从而引发事故扩大的隐患,给电力系统安全稳定运行带来巨大威胁。
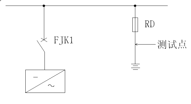
通过检测测试点的直流电压和直流电流就可以起到监视充电机是否正常运行、蓄电池的保险RD是否熔断,从而判断整体直流系统是否正常。测试点如图一所示
图一:测试点
直流掉电保护装置能够实时的监测直流电源系统和蓄电池组脱离直流电源系统,并将告警信息发送至综自后台,有效提高直流电源系统运行可靠性。
核心功能
1.双模式监测:
◆ 交流掉电识别:毫秒级检测交流输入中断。
◆ 蓄电池组状态追踪:实时监控蓄电池组脱离或异常放电,电压精度达±0.5%。
2.智能告警系统:
◆ 实时预警:实时推送本地/远程平台告警。
◆ 故障定位:支持精准故障点识别。
3.多场景兼容性:
◆ 环境适应性:-20℃~60℃宽温域运行,满足变电站、数据中心等严苛环境。
◆ 系统对接:无缝接入综自后台及云端监控平台,符合无人值守标准。
4.人机交互优化:
◆ 可视化界面: 850×480分辨率工业触摸屏显示实时数据、报警状态及历史记录,菜单式操作简化设置流程。
技术参数
指标、规格、技术优势如表1所示:
指标 | 规格 | 技术优势 |
监测电压范围 | DC 100V-370V | 兼容主流直流系统,误差≤0.2% |
响应时间 | ≤20ms(直流掉电) | 比传统机械继电器快15倍 |
通信协议 | RS485 | 降低改造难度 |
防护等级 | IP65(主机) | 防尘防水、体积小适用直流馈线屏内安装 |
表1:技术参数
应用场景
◆ 变电站:实时监测直流屏蓄电池组状态,避免因掉电导致保护装置失效。
◆ 新能源场站:保障光伏/风电储能系统直流电源稳定性。
◆ 工业自动化:防止生产线PLC控制柜突发断电造成设备损伤。
认证与专利
◆ 安全认证:通过GB/T 19826-2014直流电源设备检测标准。
◆ 创新技术:搭载动态阻抗分析算法。
2025-07-04
- 上一条 开路保护器
- 下一条 交流窜直流在线监测装置 2019-03-26

